攀枝花市城市管理行政執法局2022年政府信息公開工作年度報告
www.xghelper.cn 發布時間:2023-01-18 來源:攀枝花市城市管理行政執法局 選擇閱讀字號:[ 大 中 小 ] 閱讀次數:
2022年,在市委、市政府的正確領導下,我局深入推行信息公開工作,把信息公開工作作為加強黨風廉政建設、轉變工作作風、狠抓工作落實的重要舉措。按照《中華人民共和國政府信息公開條例》(國令第 711 號)、《國務院辦公廳政府信息與政務公開辦公室關于印發〈中華人民共和國政府信息公開工作年度報告格式〉的通知》(國辦公開辦函〔2021〕30 號)、《國務院辦公廳政府信息與政務公開辦公室關于政府信息公開年度報告有關項目填報問題的解釋》(國辦公開辦函〔2016〕201 號)、《四川省人民政府辦公廳關于政府信息公開工作年度報告有關要求的通知》(川辦便函〔2021〕306 號)、省政府辦公廳《關于進一步做好政府信息公開工作年度報告編制發布工作的通知》(川辦便函〔2022〕318 號)、《攀枝花市人民政府辦公室關于進一步做好政府信息公開工作年度報告編制發布工作的通知》等文件要求,結合我局實際,特編制攀枝花市城市管理行政執法局2022年政府信息公開工作年度報告,并向社會公布。
本年度報告中所列數據的統計期限自2022年1月1日起至2022年12月31日止。本年度報告電子版在攀枝花市人民政府網站(攀枝花市公眾信息網)、攀枝花市城市管理行政執法局部門網站(網址:http://cgj.panzhihua.gov.cn/)上全文公開。如有疑問,請與攀枝花市城市管理行政執法局辦公室聯系(地址:攀枝花市東區臨江路52號;郵編:617000;聯系電話:0812—3361800)。
一、總體情況
按照市政府統一要求,我局進一步完善了政府信息公開工作機制,指派專人負責信息公開工作的日常運轉,及時主動公開我局政府信息,認真做好平臺運行維護、日常管理等工作,確保政府信息公開工作制度化。
(一)主動公開情況。一是信息公開基本情況。我局認真開展政府信息公開工作。2022年通過局部門網站累計公開信息2615條,全年部門網站訪問量811448次。2022年我局主辦人大代表建議1件、政協委員提案7件,辦復率100%,滿意率100%,全部按時辦結并予以公開。微信公眾號公開信息499條,關注用戶2748人。微博公開信息177條,關注用戶27人。二是重點領域信息公開情況。我局全年重點領域信息公開77條。
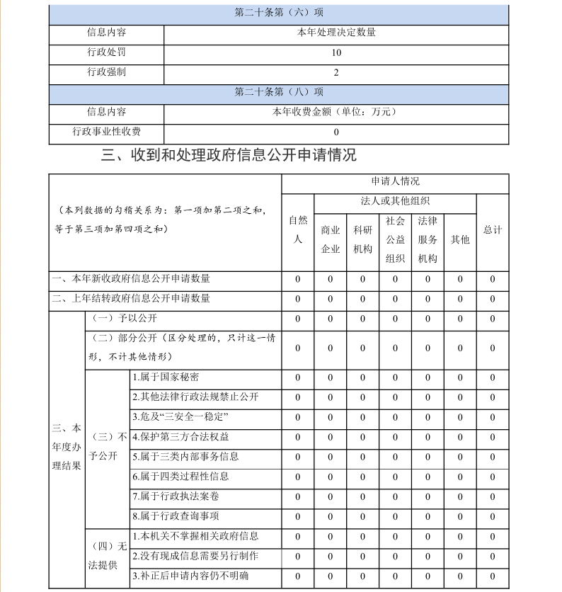
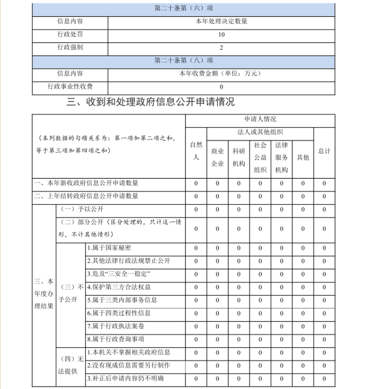
(二)依申請公開情況。2022年度,我局受理依申請公開0件,收到行政復議申請0件。
(三)政府信息管理。我局認真梳理各項工作職能,確定公開內容,嚴格按照信息公開工作“公開為原則,不公開為例外”的要求認真執行,并始終做好保密工作,做到“上網信息不涉密,涉密信息不上網”,確保在做好信息公開工作中不發生失泄密問題。凡屬要公開的信息,都嚴格做到職能科室把好業務關、局領導把好審簽關。公開內容突出城市管理職能職責,將人民群眾普遍關心、涉及人民群眾切身利益的社會公益事業及重點民生領域事項作為公開的重點。涉及城市管理領域的現行有效規章、規范性文件都進行了集中規范公開。
(四)平臺建設。完善更新了攀枝花市城市管理行政執法局政府信息公開指南并按要求實施,進一步加大政府信息公開力度。政府信息公開專欄能及時規范公開發布相關信息,未出現空白或超期未更新等現象。
(五)監督保障。
加強組織領導,明確專人負責,完善網站和新媒體平臺管理機制,提高信息發布的數量和質量。完善制度保障,明確責任,有效保障政府信息公開工作的及時準確、規范運行。積極對標整改,加強對政府網站和政務新媒體績效管理平臺錯誤表述和錯鏈的整改,保證問題清零。強化信息審核發布,實行分類分級審查審批,堅持先審后發,確保信息內容真實、客觀、準確。
五、存在的主要問題及改進情況
存在的主要問題:一是政策解讀能力不強,政策解讀量較少。二是公開信息的時效性不夠強。三是部分職工對政府信息公開工作的重視度還需進一步提高。
改進情況:一是持續提高政策解讀能力。加強本系統政府信息公開及專業知識工作培訓,不斷提升政策解讀工作水平,做到政策解讀保質保量。二是加強我局信息公開負責部門與機關內部各科室之間聯系,及時將各科室生成的信息發布到網上,做到信息生成與發布保持同步。三是加大政府信息公開工作的宣傳力度和培訓。通過開展多種形式的宣傳活動和培訓,提高對政務公開重要性的認識。
六、其他需要報告的事項
我局本年度未收取信息處理費,無其他需要報告的事項。
攀枝花市城市管理行政執法局
2023年1月17日









川公網安備 51040202000005號
